
概述:
DHC型重型緩沖床用于輸送帶在物料裝載及落料點的減震保護。它的縱向設置,與皮帶運行的方向一致,能有效防止了物料對輸送帶的損傷,大大降低了日常的修補和維護費用。落料時緩沖條整體托住皮帶,皮帶不會凹陷,有效消除因輸送帶非均勻受力而導致的物料飛濺及散落,縮短停工時間,從而有效提高生產效率。
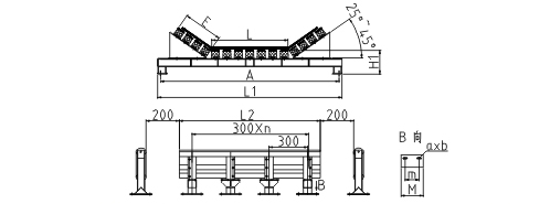
技術參數:
|
型號 |
皮帶寬度 |
A |
L1 |
H1 |
L2 |
E |
L |
M |
m |
axb |
緩沖調數 |
重量(kg) |
|
|
中 |
側 |
||||||||||||
|
DHC-650X12 |
650 |
890 |
950 |
170 |
1220 |
225 |
250 |
170 |
130 |
14X20 |
2 |
2 |
325 |
|
DHC-800X12 |
800 |
1090 |
1150 |
188 |
1220 |
245 |
380 |
170 |
130 |
14X20 |
2 |
2 |
385 |
|
DHC-1000X12 |
1000 |
1290 |
1350 |
228 |
1220 |
300 |
370 |
200 |
170 |
14X20 |
3 |
3 |
472 |
|
DHC-1200X12 |
1200 |
1540 |
1600 |
245 |
1220 |
390 |
490 |
260 |
200 |
18X25 |
3 |
3 |
535 |
|
DHC-1400X14 |
1400 |
1740 |
1800 |
283 |
1400 |
520 |
520 |
280 |
220 |
18X25 |
4 |
4 |
716 |
|
DHC-1600X14 |
1600 |
1990 |
2060 |
295 |
1400 |
620 |
620 |
300 |
240 |
18X25 |
4 |
4 |
776 |
|
DHC-1800X16 |
1800 |
2210 |
2280 |
337 |
1600 |
680 |
680 |
300 |
240 |
18X25 |
5 |
5 |
953 |
|
DHC-2000X18 |
2000 |
2420 |
2500 |
347 |
1800 |
750 |
750 |
300 |
240 |
18X30 |
6 |
5 |
1243 |
注:具體技術參數來電咨詢0577-65205101。
產品特點:
光滑的UHMW-PE層(超高分子量聚乙烯)表面將輸送帶與緩沖條的摩擦降至最低。
藍色的加厚UHMW-PE層(超高分子量聚乙烯)使產品更耐用。
UHMW-PE層(超高分子量聚乙烯)前后兩段均呈弧形,從而保證了輸送帶通過的順暢。
性能優良的特種橡膠層有效吸收物料下落時的沖擊力。
緩沖條的各個部分由熱硫化結合,緊湊、牢固。
T型槽緊固結構安全可靠。
緩沖床支座全螺栓聯接,外形更加美觀。
